Уникальный кольцевой КрАЗ с индексом 5450 и 1000-сильным танковым двигателем реанимировали впервые с 90-х годов прошлого века.
0
Эта машина была специально подготовлена к европейскому кольцевому чемпионату среди грузовиков, но в гонке ему довелось участвовать лишь однажды. Грузовик укомплектовали танковым 1000-сильным турбодизелем, дисковыми тормозами, антиблокировочной системой, подвеску заменили на независимую спереди и сзади, а в салоне установили регламентированный каркас безопасности. Для снижения массы машины некоторые элементы кузова изготовили из стеклопластика.
Однако в своей дебютной гонке в 1992 году КрАЗ-5450 не сумел добраться до финиша из-за многочисленных поломок, потому его транспортировали обратно на Кременчугский автозавод, а позже и вовсе забросили проект. Так кольцевой грузовик простоял в ангаре вплоть до 2017 года, пока его не забрали на реставрацию.
Ролик об истории грузовика, на котором, в том числе, запечатлен момент запуска мотора после долгой стоянки
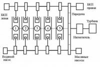
Многотопливный дизель 5ТДФ разрабатывался для советского танка Т-64
Автор п.и.з.д.а б о.л!!!!! У него полетела ОДНА ДЕТАЛЬ!!!!!!И она была изготовлена в еденичном экземпляре,!!!Если б полетело "всё" как говорит идиот,то видео хрен бы было.
"Грузовик укомплектовали танковым 1000-сильным турбодизелем, дисковыми тормозами, антиблокировочной системой, подвеску заменили на независимую спереди и сзади, а в салоне установили регламентированный каркас безопасности. Для снижения массы машины некоторые элементы кузова изготовили из стеклопластика.
Однако в своей дебютной гонке в 1992 году КрАЗ-5450 не сумел добраться до финиша из-за многочисленных поломок"
"Ведь модернизировали, подхватили, перестроились, внедрили новый коэффициент, включаешь – не работает." М. Жванецкий
Нее, там двухтактник простейший это муфта отбора мощности стоит для допоборудования там не клапана и распред а коленвал. 5тдф говно мотор если честно, танк на холоде с юзаным движком хрен заведешь, элипсность бешеная на цилиндрах образуется.
Субарь за ними жапонский повторил.
Оппозитник дает экономию пространства поэтому 5тдф и ставили на 64ку, потом ГТД 1000 пришелтна ману тожк компактные размеры и малошумность при малых габаритах, но сука, как же дорого они вставали государству в эксплуатации, поэтому победила 72ка, а 64ки остались у тех кто их выдумал у хохлов да и то по причине туевой хучи наследства от СССР.
А в танк куды его воткнуть, замкнутое ограниченое забронированное пространство, нагруженность по теплу, сложность обслуживания ресурсность, склонность уйти вразнос у двухтактника и прожорливость
Как вам такое, Илон Маск ;) и это компактный 5ТДФ, плоский как чемодан, куда же воткнуть аналогичный по параметрам v или Х образный? Поэтому танк изначально родился мертворожденный.
У т72 задел для модернизации заложен был изначально, поэтому "рогатка" 850 л. С. Была, а нынешний, что на биатлоне гоняет 1500лс, серийный 1200.
Вы думаете почему арабы винтанули танк, при их жаре мощность дизеля падает до 550лс, а тут 1500 вот они в азарте и не рассчитали скорость, пошли в дрифт, да об бордюр цепанули.
Пост хороший, и кажется я понимаю почему КрАЗ не показал никаких результатов. Эта машина и так достаточно тяжела в управляемости, а тут еще 5тдф массивный и плоский, жрет как не в себя и ресурс 200 мч при нормальной эксплуатации, в общем мертворожденый проект.
на дзене про него читал
И всё же, как бы ни был несовершенным ТДФ, он красив, блин....
Там от КРАЗа одно название. Даже рамы нет, вместо нее трубчатый каркас. Короче это гоночный прототип по большому счету.
Сверху бочок и на молокозавод, работать. Сверхбыстрая доставка молока)
Если по дороге не будет светофоров, иначе уже сметана или масло будет
И делали ведь, дай им еще годок и возможность делать ошибки исправляя в будущем то может что и получилось бы))
МАЩААААА!!!!
Академик сцуко оказывается плагиатчик со своим КамАЗом
Этого бачка соляры ему только километров на 20 хватит
а где краз?
там что от краза осталось?
сиденье, руль или фары?
Какой в попу "евро 6"
откуда его сняли, то разработчиков той техники мало екология интересовала
Автор п.и.з.д.а б о.л!!!!! У него полетела ОДНА ДЕТАЛЬ!!!!!!И она была изготовлена в еденичном экземпляре,!!!Если б полетело "всё" как говорит идиот,то видео хрен бы было.
"Грузовик укомплектовали танковым 1000-сильным турбодизелем, дисковыми тормозами, антиблокировочной системой, подвеску заменили на независимую спереди и сзади, а в салоне установили регламентированный каркас безопасности. Для снижения массы машины некоторые элементы кузова изготовили из стеклопластика.
Однако в своей дебютной гонке в 1992 году КрАЗ-5450 не сумел добраться до финиша из-за многочисленных поломок"
"Ведь модернизировали, подхватили, перестроились, внедрили новый коэффициент, включаешь – не работает." М. Жванецкий
Оппозит на попа поставили. Долго разглядывал пока дошло.
Хотя маховик внизу...
Вот я тоже подумал! Пианину большую которая рояль тётки на попа поставили и некисло на ней лабают! Оказалось это арфа. Обидно бля...
автор,ты нам дичь втираешь.
Автор а это случаем не Jumo 205? От юнкерса?
Похож. Но у джамо поршня на встречу работали
5тдф вот
Он горизонтально расположен под танк, а Юмо вертикально расположен под самолетный фюзеляж.
А это его брат 6тд от булата и оплота
Интересный момент! Вал справа на картинке. Это типа ваноса? Больно в глаза бросается
Больно на грм регулируемый смахивает?
Нее, там двухтактник простейший это муфта отбора мощности стоит для допоборудования там не клапана и распред а коленвал. 5тдф говно мотор если честно, танк на холоде с юзаным движком хрен заведешь, элипсность бешеная на цилиндрах образуется.
Эту схему тевтонские гении пытались на мотоциклах применить. Там да, был 2х тактник. (дкв кажись) А от 2х тактов кроме борзости, -жди износа быстрого.
Интересно как маслонасос работал? Вкупе с 2х тактником?
По схеме же видно, он к коленвалу крепился, картер сухой на этом типе двигателя сказывается авиационное прошлое.
Субарь за ними жапонский повторил.
Оппозитник дает экономию пространства поэтому 5тдф и ставили на 64ку, потом ГТД 1000 пришелтна ману тожк компактные размеры и малошумность при малых габаритах, но сука, как же дорого они вставали государству в эксплуатации, поэтому победила 72ка, а 64ки остались у тех кто их выдумал у хохлов да и то по причине туевой хучи наследства от СССР.
Слышал и читал много про это двигло. Сейчас интересно стало. И вопрос.Не проще ли классический 2х такт и больше цилиндров? Как у япошек например?
А в танк куды его воткнуть, замкнутое ограниченое забронированное пространство, нагруженность по теплу, сложность обслуживания ресурсность, склонность уйти вразнос у двухтактника и прожорливость
Как вам такое, Илон Маск ;) и это компактный 5ТДФ, плоский как чемодан, куда же воткнуть аналогичный по параметрам v или Х образный? Поэтому танк изначально родился мертворожденный.
У т72 задел для модернизации заложен был изначально, поэтому "рогатка" 850 л. С. Была, а нынешний, что на биатлоне гоняет 1500лс, серийный 1200.
Вы думаете почему арабы винтанули танк, при их жаре мощность дизеля падает до 550лс, а тут 1500 вот они в азарте и не рассчитали скорость, пошли в дрифт, да об бордюр цепанули.
Пост хороший, и кажется я понимаю почему КрАЗ не показал никаких результатов. Эта машина и так достаточно тяжела в управляемости, а тут еще 5тдф массивный и плоский, жрет как не в себя и ресурс 200 мч при нормальной эксплуатации, в общем мертворожденый проект.